产品世界
当前位置: 产品世界 > 不锈钢链 > 不锈钢滚子链

Stainless steel roller chains 不锈钢滚子链

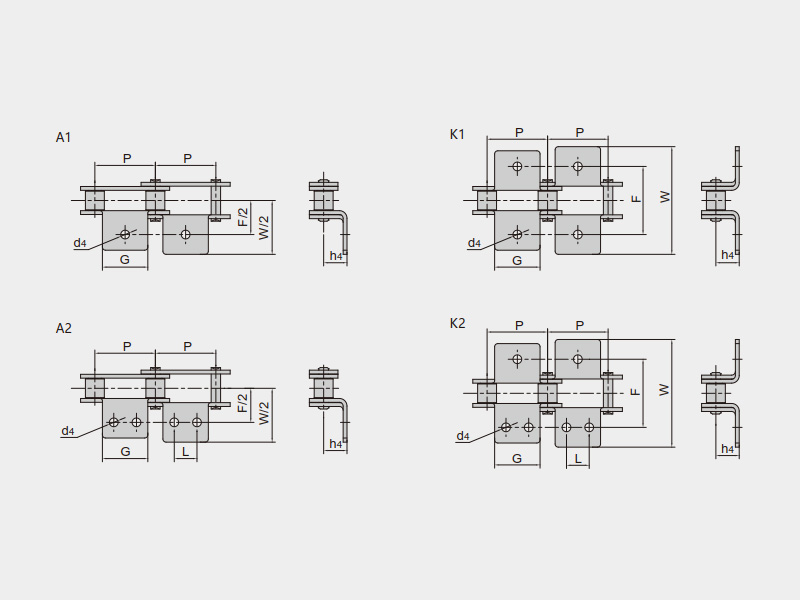
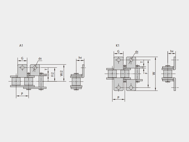
● 不锈钢滚子链结构、尺寸符合ISO 606等标准,主要有不锈钢短节距滚子链、不锈钢短节距直边链板滚子链、不锈钢双节距滚子链、不锈钢加长销轴链等,以及相应的各种附件;
● 采用优质的奥氏体型、马氏体型不锈钢材料,先进的加工工艺、高效的工艺装备,产品具有耐腐蚀、耐高低温、清洁等特点,有两类抗拉强度指标的产品可供用户选择。
● 产品广泛应用于食品加工、乳制品加工、健康医疗、化工等行业。

东华不锈钢滚子链主要采用06Cr19Ni10(304)、06Cr17Ni12Mo2 (316 )奥氏体型不锈钢材料,适用环境特点如下:

链条材料特性适用环境
06Cr19Ni10
(304)
针对特殊环境应用最广的不锈钢链条1.常规的不锈钢链条;
2.存在水的环境;
3.需要清洁的环境;
4.适用于具有腐蚀性的环境,包括食品、化工、医学、部分酸/碱或腐蚀性液体等;
5.适用于高温、低温环境(-20℃ ~ 400℃)。
06Cr17Ni12Mo2
(316)
抗腐蚀性能优于304不锈钢链条1.316不锈钢因添加Mo元素,使其耐蚀性和高温强度有较大的提高,耐高温可达到1200℃~1300℃,可在苛刻的条件下使用;
2.海水、海滨等氯离子浓度高的环境;
3.腐蚀性强的工业大气中;
4.纸浆和造纸设备或环境中;
5.一定浓度的盐酸、硫酸等强酸环境;
6.要求无磁环境。