典型产品结构形式:
![]() | ![]() | ![]() |
| FV型输送链 | FVC型输送链 | FVT型输送链 |
![]() | ![]() | ![]() |
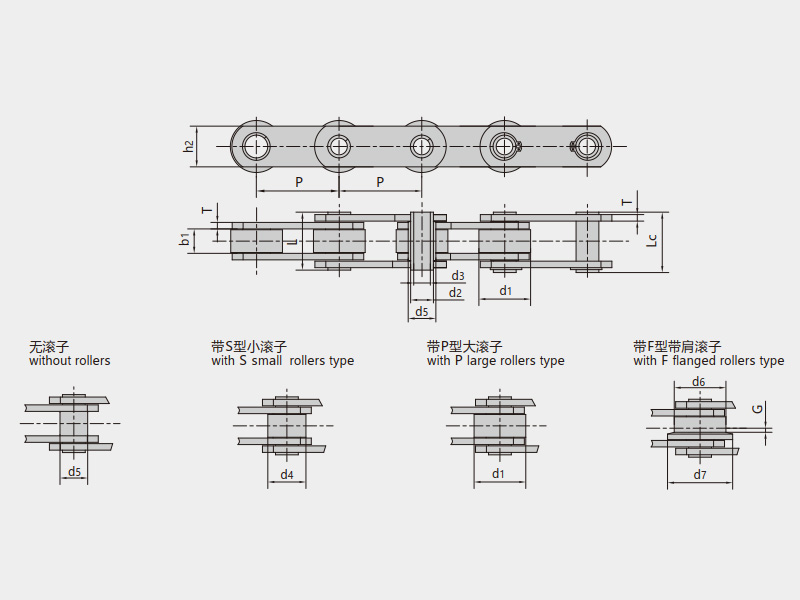
| 带S型小滚子 | 带P型大滚子 | 带F型带肩滚子 |
● FV系列输送链符合DIN标准,主要有FV型输送链、FVT型输送链、FVC型空心销轴输送链;
● FV系列输送链是指链条节距为公制整数(节距范围40mm~500mm的多种节距)的滚子链或套筒链,滚子有多种结构形式,根据使用工况配置各种附件。
● FV型为实心销轴输送链、FVC型为空心销轴输送链、FVT型为大滚子加高链板输送链,FV型和FVT型链条有两类抗拉强度指标的产品可供用户选择。
● 产品广泛应用于欧洲市场,为一般输送、机械化传送设备输送物料。
典型产品结构形式:
![]() | ![]() | ![]() |
| FV型输送链 | FVC型输送链 | FVT型输送链 |
![]() | ![]() | ![]() |
| 带S型小滚子 | 带P型大滚子 | 带F型带肩滚子 |