东华链条集团创建于1991年11月,总部位于杭州市临平区国家级经济技术开发区,是一家集全球研发、制造、营销和市场服务于一体的国际化链传动企业。是中国首批制造业单项冠军示范企业、国家企业技术中心、国家知识产权示范企业、中国机械工业百强企业。
专业化 系统化 高端化
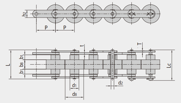
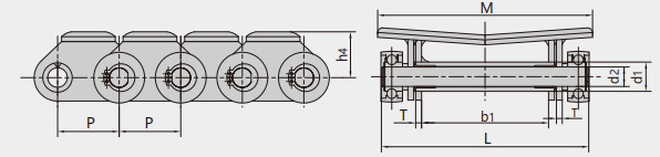
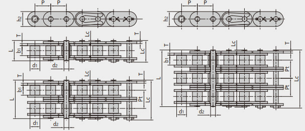
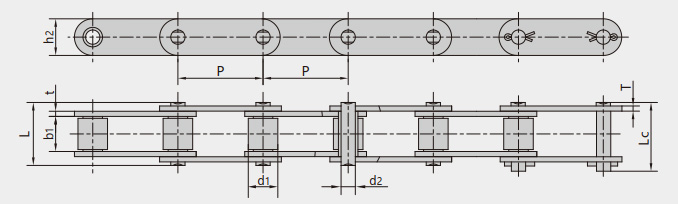
●输送链广泛应用于食品、木林造纸、物流输送、包装机械、建材机械、环保装备等行业的物料输送。
●根据不同行业及工况特点,通过优化设计、合理选材、精密制造,产品具有高强度、耐磨损、高精度、耐腐蚀、耐温性等特点,满足高效、平稳、可靠输送的需求。
●典型产品:短节距滚子链、双节距输送链、自由流动链、木材输送链、长节距输送链、肉类生产线输送链、食品包装机械用链条、空心销轴链等及附件。