产品世界

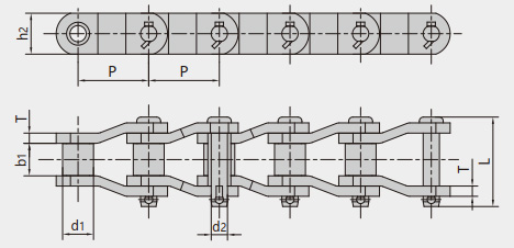
Drive chains 传动链

●传动链主要用于传递动力,广泛应用于农机、工程机械、扶梯驱动、物流输送和包装机械等行业。

●产品采用优质的原材料、适宜的热处理工艺和先进的制造装备,具有较好的综合使用性能。基于对链条疲劳、磨损、精度的研究与实践,已开发出具有高耐磨、高疲劳强度、高精度等性能的系列高端链传动产品。

典型产品:短节距精密滚子链、高强度短节距滚子链、耐腐蚀滚子链、自润滑滚子链和密封圈链等。

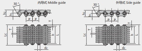
传动链 工艺特点
  • 链板宽腰设计 提高疲劳性能
  • 链板高效冲裁加工
  • 高效冲裁 成型加工
  • 热处理 合理的参数化控制
  • 链板钢球挤孔 提高疲劳性能
  • 跑合/预拉 减少初期磨损