东华链条集团创建于1991年11月,总部位于杭州市临平区国家级经济技术开发区,是一家集全球研发、制造、营销和市场服务于一体的国际化链传动企业。是中国首批制造业单项冠军示范企业、国家企业技术中心、国家知识产权示范企业、中国机械工业百强企业。
专业化 系统化 高端化
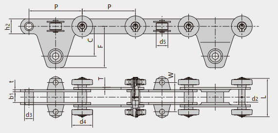
●工程链条广泛应用于汽车制造、冶金、棕榈油、制糖、环保装备、工程机械、散物料输送等行业。
●拥有专业的工程链设计、制造经验,根据各行业工况特点选用优质材料、先进的制造工艺,产品具有高强度、高耐磨以及耐腐蚀、耐高低温等耐候性的特点。
●典型产品:汽车生产线链条、钢厂用输送链、棕油链、糖机链、污水处理链、筑路机械链、堆取料机链条等。